elektronische Zündanlage für die MZ TS 250

Inzwischen hat Toni seine Zündanlage überarbeitet, da er an warmen Sommertagen thermische Probleme bekommen hat.

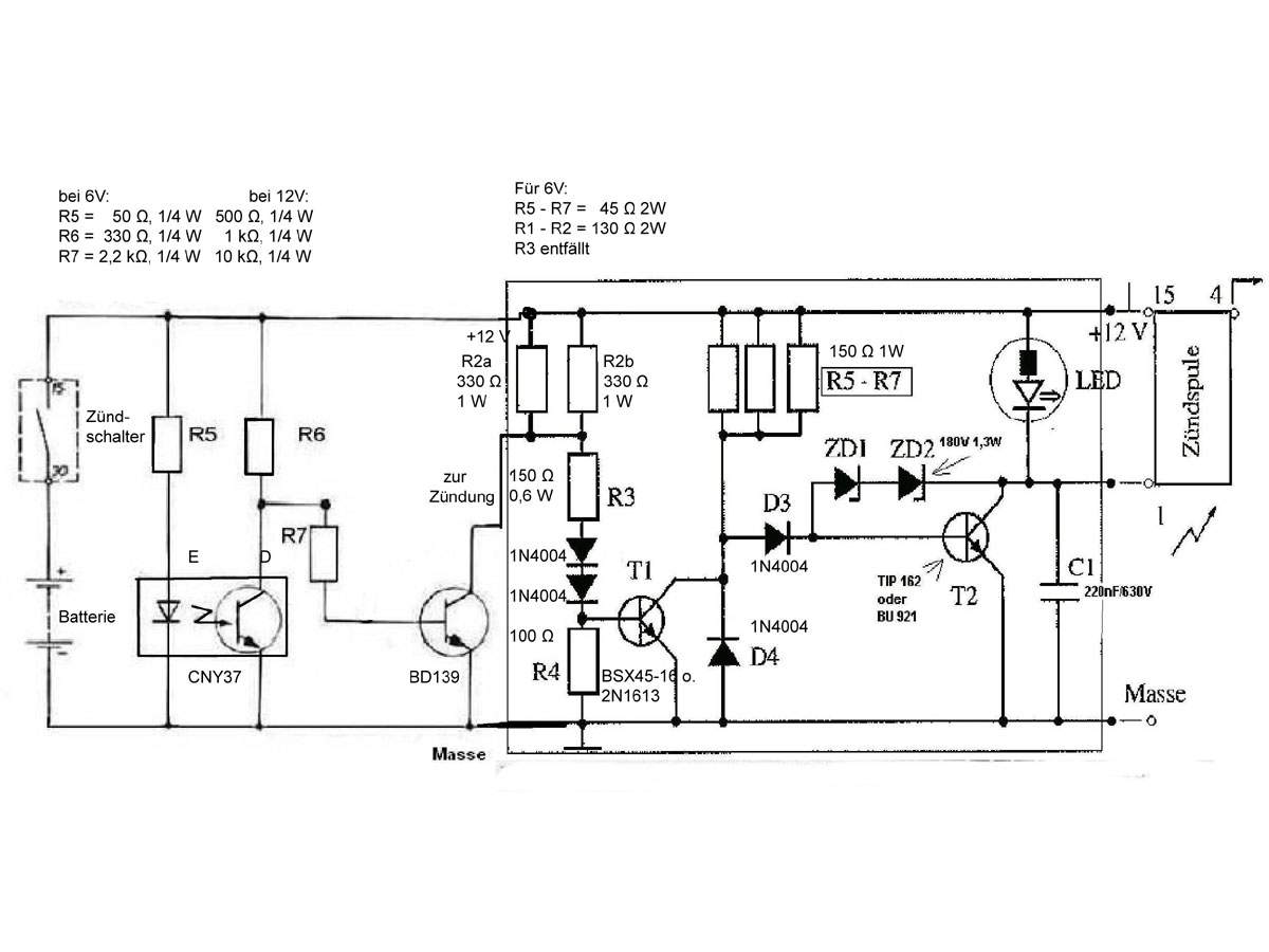
Die wesentlichste Änderung betrifft die Verlagerung der Elektronik aus dem Motorgehäuse heraus. Nur noch der Geber ist verblieben.

Einige kleine Änderungen bei den Widerstandswerten hat es auch gegeben.
Da nur noch der Geber im Motorgehäuse verblieben ist, hat sich natürlich das Platinenlayout etwas verändert.