www.wartburgpeter.de
Kraftstoffmomentanverbrauchsanzeige
Kühlmitteltemperaturanzeige
Kraftstoffvorratsanzeige
Kraftstoffmomentanverbrauchsanzeige
Fehler und Probleme
Hardwaredefekte
Fehler an der Verbrauchsanzeige
Die Anzeige funktioniert gar nicht
Beim Beschleunigen leuchten schnell alle LED's
Die LED's "kommen sehr schnell bis Maximum"
Fehler an der Temperaturanzeige
Fehler an der Tankanzeige
Das Kombinationsinstrument vereinigt drei Anzeigefunktionen, deren einzelne Meßwerte über rechteckige, farbige Lichtemitterdioden (LED) angezeigt werden. Die Helligkeit paßt sich automatisch den Lichtverhältnissen der Umgebung an. Durch einen rechts neben der Lenksäule am Armaturenbrett angebrachten Kippschalter können die Anzeigen abgeschaltet werden.
| Schalterstellung | |
| links | LED's eingeschaltet |
| mitte | LED's abgeschaltet |
| rechts | Kontrollstellung für Anzeigenleuchte der Bremsflüssigkeitsstandkontrolle |
| Kritische Betriebszustände werden auch in abgeschaltetem Zustand angezeigt. | |
![]() |
![]() |
Kühlmitteltemperaturanzeige
| LED „rot" | Übertemperatur |
| obere LED „gelb" | oberer Grenzbereich der Normaltemperatur |
| LED „grün" | Normaltemperatur |
| untere LED „gelb" | Untertemperatur |
Achtung! Leuchtet die rote LED auf, sofort Keilriemenspannung und Kühlmittelstand überprüfen!
Es gibt auch Modellvarianten, deren mittlere beide LED's grün sind. Diese Form findet sich häufig in Wartburgs ab 1986 (Kühler vorn).
Kraftstoffvorratsanzeige
| LED „rot" | Reserve für etwa 50 km |
| LED „gelb" | Achtung! Nachtanken erforderlich |
| LED „grün" | Leuchten alle drei LED, ist der Tank voll! |
Jede grüne LED entspricht etwa 9 Litern Kraftstoffvorrat.
Anmerkung:
Bei Kurvenfahrten mit fast leerem Kraftstoffbehälter kommt es systembedingt zu Schwankungen in den Kraftstoffanzeigen.
Kraftstoffmomentanverbrauchsanzeige (KMVA)
Die KMVA.zeigt den momentanen Kraftstoffverbrauch des Fahrzeuges an.
Die Anzeige beginnt bei 5 l/h Kraftstoffverbrauch und ist in 2 Bereiche eingeteilt:
1. Bereich - 8 grüne LED - günstiger Kraftstoffverbrauch
2. Bereich - 4 gelbe LED - ungünstiger Kraftstoffverbrauch (zu hoch)
Fehler und Probleme
Hardwaredefekte
Die LED's werden auf Basis des IS A277D angesteuert (3 x). Eine Reparatur des Instrumentes ist prinzipiell möglich! Bei einem Defekt eines A277D muß dieser gegen einen neuen getauscht werden. Es gibt internationale Vergleichstypen, die jedoch nicht 100% pinkompatibel sind. Ein lösbares Problem.
Fehler an der Verbrauchsanzeige
Die Anzeige funktioniert gar nicht.
Nachdem man sicher gestellt hat, das keine Kabel am Geber vertauscht sind, das Benzin in der richtigen Richtung durch den Geber fließt und auch kein Kabelbruch vorliegt, findet man als häufigsten Fehler eine durchgebrannte Z-Diode (SZX 21/ 5.1, oben Nähe Elko) auf der Platine der KMVA. Diese wird zerstört, wenn beim Anschluß des Durchflußmengengebers am Frontmittelteil aus versehen der Draht angeklemmt wird, der eigentlich für die Scheinwerferhöhenkontrolle gedacht ist. Selbst "Fachwerkstätten" haben in der Vergangenheit nicht genügend Sorgfalt walten lassen und ihren Kunden diesen Fehler eingebaut.
Beim Beschleunigen leuchten schnell alle LED's,
dann geht die Anzeige schrittweise zurück und aus. Erst nach langer Zeit, scheint sich die Anzeige "zu erholen" und zeigt wieder etwas an. Die Anzeige reagiert, als ob sie "übersteuert" sei. Und das trifft wohl auch den Kern der Sache. Natürlich müssen die Meßwerte, die dem A277D zugeführt werden, innerhalb bestimmter Grenzen liegen (0 - 1V), damit eine definierte Ansteuerung der LED's erfolgen kann. Durch Alterung und Bauteiletoleranz, in aller erster Linie sind hier die Elektrolytkondensatoren gemeint, wird der Wert jedoch überschritten. Die Anzeige, wird tatsächlich überschritten und "beginnt von vorn" mit der Anzeige oder "verstummt". Eine direkte Abhilfe kann ich an dieser Stelle nicht anbieten. Man kann versuchen, die Anzeige und/ oder den Geber zu ersetzen. Alternativ müßte die Elektronik neu justiert werden, was dem Austausch einiger Bauelemente (Widerstände, Kondensatoren) gleich kommt.
Die LED's "kommen sehr schnell bis Maximum"
und das schubweise.
Vermutlich ist Luft in der Benzinleitung. Da es sich um eine Unterdruckleitung handelt, tropft es auch nicht zwingend, wenn irgendwo ein Leck oder Haarriß ist. Jedoch vermag die Pumpe durch die undichte Stelle Luft anzusaugen, die dann zu verminderter Fahrleistung führt. Die KMVA ist sensibel genug, diesen Fehler zu zeigen, bevor man dies am Fahrverhalten merkt. Wer zusätzlich in der Benzinleitung einen durchsichtigen Filter eingebaut hat, kann diesen Fehler u.U. sehen.
Auch wenn man den Tank leer gefahren hat, kann diese typische Anzeige sehen, weil das Schaufelrädchen, welches die Lichtschranke unterbricht (die ja den Durchflußgeber darstellt), im dünnen Medium (Luft) schneller dreht.
Fehler an der Temperaturanzeige
Oft ist folgendes Phänomen zu beobachten, bei Fahrt am Tage scheint die Temperaturanzeige völlig normal zu reagieren. Alles im grünen Bereich. Jedoch bei nächtlicher Fahrt wird anscheinend der Motor heißer, die gelbe oder sogar die rote LED leuchten irgendwann auf. Schließlich ist man ganz verunsichert, ob nun der Motor auf der Autobahn zu heiß geworden ist?
Hat man überprüft, ob Keilriemen, Kühlwasserstand usw. in Ordnung sind und damit als Fehlerquelle auszuschließen sind, kann man oft beobachten, das sobald man die Scheinwerfer abschaltet, die Temperaturanzeige (meistens um einen "LED-Wert") darauf reagiert. D.h. ohne Scheinwerferlicht wird eine geringere Kühlwassertemperatur angezeigt.
Dahinter steckt meistens ein ganz banaler Umstand. Wie bei den meisten Fahrzeugen, wird die Fahrzeugkarosserie als zweiter elektrischer Pol, als Massepunkt benutzt. Auf diese Weise lassen sich viele Meter Kupferleitung pro Fahrzeug einsparen, die Installation wird einfacher.
Leider oxidieren jedoch im laufe der Jahre die im Wartburg, Trabant (u.a. DDR-Fahrzeuge) ungeschützt eingesetzten Steckverbinder und sonstige elektrische Kontakte heftig.
Verwendet werden Materialien, wie Eisen, Kupfer, Messing, Aluminium. Alles Materialien, die einer elektrochemischen Spannungsreihe entsprechen und mit Feuchtigkeit, Salzen und dem Sauerstoff aus der Luft allerlei Schichten (Patina) entwickeln, die einen hohen elektrischen Widerstand aufweisen. Mit zunehmender Belastung des Bordnetzes durch Scheinwerfer etc., sinkt zum Einen die Spannung (unbelastete Lima >= 14V, belastet <12V) und zum Anderen erwärmen sich die ungewünschten Übergangswiderstände heftig und erhöhen dabei obendrein ihren Wert.
Durch Messung und Rechnung habe ich schon einen Übergangswiderstand von 23 Ohm zwischen Batterie und Fahrzeugmasse ermittelt, der aufgetreten ist, wenn ich die Scheinwerfer eingeschaltet habe. Wenn man bedenkt, das es viele Kontaktstellen im Fahrzeug gibt, so verwundert es nicht, das sich Widerstand an Widerstand reiht.
Da der Temperaturfühler nur einen Anschluß hat und der Rest des Fahrzeuges den Stromkreis bildet, verwundert es nicht, das zu den 500 Ohm (Zimmertemperatur) des Temperaturfühlers noch schnell einige Dezi Ohm hinzukommen, die die Messung verfälschen.
Abhilfe kann man nur erreichen, indem man alle relevanten Kontakte reinigt oder indem man vom Anzeigeinstrument einen separaten Massedraht an den Temperaturfühler bringt und ihn dort direkt mit dem Gehäuse des Fühlers verbindet.
Die Sorge, das sich unterschiedliche Bordspannungsverhältnisse negativ auf die Anzeigegenauigkeit auswirken, sind erfreulicher Weise unbegründet. Der A277D beinhaltet aufwendige Komparatorschaltungen, die sicherstellen, daß Meßwerte und Auswertung exakt in einem weitem Spannungsbereich vorgenommen werden. Die Ungenauigkeit rührt also wirklich explizit vom Anschluß des Meßfühlers her. Auch die häufig vermutete Wärme, die die beiden 2 W Lämpchen im "Tachogehäuse" erzeugen, hat keinerlei Auswirkungen auf die Anzeige.
Aufgrund der unterschiedlichen Verfahren und Widerstandswerte, reagieren die anderen beiden LED-Ketten für Verbrauch und Tankinhalt nicht auf miese Übergangswiderstände im Auto.
Fehler an der Tankanzeige
Diese Anzeige ist selten von Defekten betroffen. Damit die Anzeige nicht auf geringste Schwankungen reagiert, die das Benzin bei Fahrbewegungen z.B. in der Kurve vollführt, hat man die Meßschaltung entsprechend träge aufgebaut. Dazu nutzt man den Speichereffekt eines Kondensators, der durch Be- und Entladevorgänge, dieses Verhalten hervorruft. Aufgrund des von vornherein hohen Widerstandes des Gebers, ist die Auswertung des Tankinhaltes relativ unempfindlich gegen unerwünschte Kontaktübergangswiderstände.
Funktioniert die Anzeige gar nicht, ist oft der Geber defekt. Oder setzt die Anzeige innerhalb eines gewissen Kilometerstandes nach dem Tanken zeitweilig aus, deutet dies auf Kontaktschwierigkeiten am Geber. Im Tankfüllstandsgeber gleitet eine Kontaktfeder an einem auf einer kleinen Pertinaxplatte aufgewickelten Widerstandsdraht entlang. Diese Kontaktfeder wird vom Schwimmer bewegt, welcher im Benzin schwimmt.
Die elektrische Schaltung um den dazugehörenden A277D ist so aufgebaut, das die rote LED nur leuchten kann, wenn die anderen verloschen sind. Ein Pendeln zwischen rot und gelb ist normal.
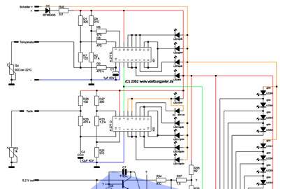
Die Kraftstoffmomentanverbrauchsanzeige des Wartburg ist wirklich nichts geheimnisvolles. Den äußeren Schaltplan gebe ich schon einmal hier bekannt. Ich werde mich bemühen, den inneren Stromlaufplan ebenso darzustellen. Damit Sie merken, daß ich hier keine heiße Luft fabriziere, veröffentliche ich zunächst weitere Detailfotos.
Oh Hilfe, seit vielen Tagen bemühe ich mich, den Schaltplan zu entflechten. Eigentlich müßte ich dazu die Bauelemente ablöten, habe aber keine Lust dazu, weil die Platine völlig intakt ist. Wer schon einmal eine Platine mit zwei Leiterebenen "abgemalt" hat, kann sich gewiß denken, wie langsam und fehlerträchtig das geht. Den Zwischenstand können Sie hier sehen und laden. Ich gebe ehrlich zu, mir ist die Lust vergangen. Ich muß mal eine Software für Platinenlayouts suchen...
Ein paar Bemerkungen zum Schaltplan:
Die Schaltplanteile für Temperatur- und Tankanzeige dürften korrekt ermittelt sein. Der Teil für die Momentanverbrauchsanzeige jedoch ist unvollständig und enthält Fehler, deshalb ist dort ein Teil blau abgedeckt.
Sie werden verstehen, daß ich für die Richtigkeit keine Garantie geben kann. Sollten Sie den Plan verwenden wollen, seien Sie also entsprechend vorsichtig! Ich stelle Ihnen die Informationen kostenfrei zur Verfügung.
08.06.2006
Habe noch einmal die Steckerbelegung geprüft, mit verschiedenen Instrumenten und dem Schaltbild aus "Wie helfe ich mir selbst" vom Ihling, 9. Auflage verglichen. Ergebnis: Schaltbild stimmt mit meinen Angaben, den Instrumenten und mit dem Plan im "Ihling" überein!
Vergessen Sie Kabelfarben, die können voneinander abweichen. Auch die Steckverbinder können kaum verwechselt werden. Stecker am Instrument, Buchse am Kabelbaum des Wartburg. Beide Gehäuse haben eine entsprechende Markierung (Prägung) am Rand, so ist es eindeutig, was A1, A2, B3 usw. ist. Siehe dazu auch die Fotos weiter unten.
| Weil ich ein netter Mensch bin, spendiere ich Ihnen hier gratis den Plan per (Seitenende bzw. Downloadseite) (Ich übernehme keine Garantie für die Richtigkeit des unfertigen Planes und eventuell daraus resultierender Schäden, Ansprüche, Nachteile etc.!) |
![]() |
||||||||||||||||||||||||||||||
| Steffen, der schon reichlich Erfahrungen mit dem Umbau, Neubau, Nachbau der 1.3'er Anzeige gesammelt hat, hat sich auch der 353'er KMVA angenommen und sogar die Unterschiede im Stromlaufplan zwischen der älteren und der neueren Variante herausgearbeitet. Er stellt uns seine Arbeit zur Verfügung, so daß ich die Pläne im Downloadbereich verfügbar machen kann. Vielen Dank! | ![]() |
||||||||||||||||||||||||||||||
![]() |
Die einzelnen Teile. Die Kabelfarben können von Gerät zu Gerät unterschiedlich sein; nicht nur zwischen Stecker und Buchse. Die Lötanschlüsse auf der Platine sind wie folgt: |
||||||||||||||||||||||||||||||
![]() |
|
||||||||||||||||||||||||||||||
![]() |
![]() |
||||||||||||||||||||||||||||||
![]() |
![]() |
||||||||||||||||||||||||||||||
![]() |
![]() |
||||||||||||||||||||||||||||||
![]() |
Durchflußmengengeber vom Wartburg. Im Unterschied zum Trabant, gibt es hier eine Dämpfungskammer. Die ist erforderlich wegen der Benzinpumpe. Die Platine, die sich im Durchflußmengengeber befindet, sieht nach Jahren meist sehr verdreckt aus. Ein möglicher Plan befindet sich hier. |
||||||||||||||||||||||||||||||
![]() |
Nicht im Bild zu sehen ist das Gegenstück der Lichtschranke, die IR Diode, die über kleine Drahtbrücken mit dieser Platine verbunden ist. Häufigste Ursache für Defekte:
|
||||||||||||||||||||||||||||||
| Eigentlich sollte die KMVA in allen Wartburg 353 auf die gleiche Weise verkabelt sein. Aber abhängig von Baujahr und Versorgungsengpässen, können die Kabelfarben abweichen. Laden Sie sich den Plan herunter und vergleichen Sie selbst (Seitenende bzw. Downloadseite). |
![]() |
||||||||||||||||||||||||||||||
| Ich habe keine Ahnung, aber der Plan dürfte auch beim Barkas verwendbar sein. Dem Wartburg 1.3 hat man keine KMVA spendiert. Dort umfaßt die Anzeige nur Temperatur und Tankfüllstand. Die Anschlüsse weichen daher ab. Details zur Anzeige des 1.3'er Wartburgs finden sich hier. |
|||||||||||||||||||||||||||||||














